Contact Us
About Us
Products/Services
Temperature Transmitters
Head Mounted (“Hockey Puck”) Transmitters
Aluminum Head Mounted Transmitters with Display
DIN Rail Mounted Transmitters
Panel Mount Transmitters with Display
Wire Harnesses
Temperature Sensors
Thermocouples
RTDs
Thermistor Probes
Accessories
Thermowells
Standard 2 & 3 Pole Connectors
ATEX Conduit Heads (Explosion-Proof)
General Purpose Conduit Heads
More...
Fiber Optic Sensor Systems
(Partner Company)
Infinity Fiber
Thermocouple/Extension Wire
Thermocouple Wire
Thermocouple Extension Wire
Temperature and Process Controllers
Single-Loop PID Controllers
On/Off Controllers
Digital Temperature Displays
More...
Specialty Metals
Molybdenum
Tantalum
Services
Calibrations
Testing & Engineering Services
Custom Temperature Sensors
Product Development
Industries Served
Aerospace & Defence
Chemical
Plastics
Oil & Gas
Food & Beverage
Semiconductor
General Industry
Water/Wastewater
Heat Treating
Certifications
ISO 9001:2015/AS 9100 D Certification
ISO/IEC 17025:2017 Accreditation
ITAR REGISTRATION LETTER
RoHS Compliance
SDVOSB
DLA Approval Letter
Technical Resources
Nanmac Sensors in Tokamak Reactor System
Comparison of Temperature Sensors & Response Times
Properties of Refractory & Ceramic Materials
Refractory Metal Resistance to Corrosive Materials - Guide
Thermocouple Alloy - Use & Characteristics
Temperature Conversion Chart - Melting Points of Metals
A ultra fast thermocouple used to measure: squibs, ignitors, propellants, and rocket nozzles
Nanmac High Performance Thermocouples
Thermocouples and Extension Grade Wire
Leading Cause of Errors in Temperature Measurement
Thermocouple Standards & Calibrations
Thermocouples in Furnaces & Ovens
Selecting the Right Thermocouple
Mold temperature and heat flux measurements during the production of glass containers
Care & Use of Nanmac Eroding Thermocouples
Nanmac Short Form Article on Using ASTM Standards
When Thermocouples Fail
Partners
News
Language
Products
/
Ultra Fast (Eroding) Thermocouples
/ Self Renewing Thermocouple for In-Stream Plastic Melt
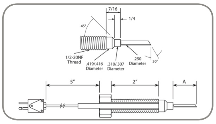
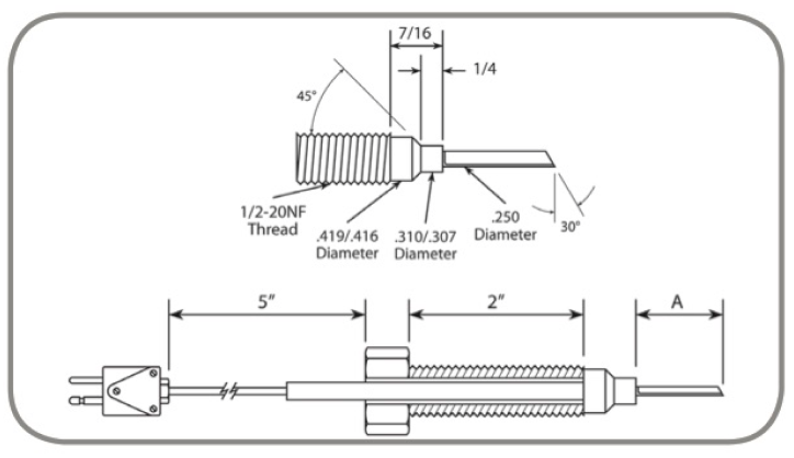
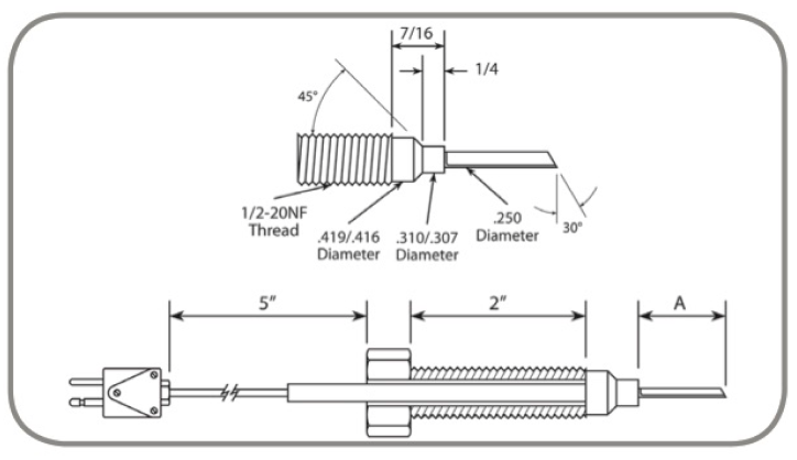
Self Renewing Thermocouple for In-Stream Plastic Melt
See Specifications
Build your product below
Wire Type
Select Wire Type
E
J
K
N
T
Dimension "A" (inches)
Select Dimension "A" (inches)
0.5
0.75
1
0.25-1.25
Quantity
Additional Requirements
Request Quote
Contact
Industries Served
Technical Resources
Services
Terms & Conditions
© 2025 Nanmac Corporation
Follow us on